odwodnienia plastikowe

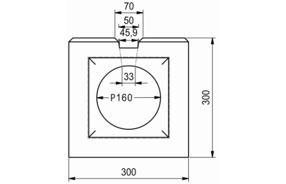
LINIENENTWÄSSERUNG aus BETON 300 A15-E600


Polymer Schlitzrinne

technische Anleitung

  • Entwässerung Querschnitt: 300 x 300[mm]
  • Entwässerung Länge: 1m
  • Klasse: E600-Last bis 60 Tonen Gesamtgewicht
  • Querschnitt der Entwässerungsrinne: Ø160 [mm]

Material

  • Polymer Entwässerungsrinne- PolymerBeton C55/C67
  • Betonbewehrung Ø8

AUSSENMASSE

  • Länge: 1000mm
  • Breite: 300mm
  • Höhe: 300mm

Innenmasse

  • Querschnitt der Entwässerungsrinne: 160mm
  • Schlitzbreite: 50mm

Bestimmungsklasse E600

"E600, Fahrbahnen (einschließlich Fußgängerzonen), Seitenstreifen und Parkplätze für alle Arten der Kraftfahrzeuge bis 60 Tonen Last."

  • Tankstellen
  • Autowaschanlagen
  • Industriegebiete
  • Autoindustrie

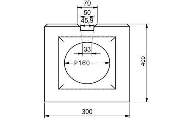
Monolithischer Kanal 300 mm Revision E600

technische Anleitung

  • Entwässerung Querschnitt: 300 x 300[mm]
  • Entwässerung Länge: 1m
  • Klasse: E600-Last bis 60 Tonen Gesamtgewicht
  • Querschnitt der Entwässerungsrinne: Ø160 [mm]
Odwodnienia liniowe monolityczne rewizja 300 E600

Material

  • Polymer Entwässerungsrinne- PolymerBeton C55/C67
  • Betonbewehrung Ø8

AUSSENMASSE

  • Länge: 1000mm
  • Breite: 300mm
  • Höhe: 400mm

Innenmasse

  • Querschnitt der Entwässerungsrinne: 160mm
  • Schlitzbreite: 50mm

Bestimmungsklasse E600

"E600, Fahrbahnen (einschließlich Fußgängerzonen), Seitenstreifen und Parkplätze für alle Arten der Kraftfahrzeuge bis 60 Tonen Last."

  • Tankstellen
  • Autowaschanlagen
  • Industriegebiete
  • Autoindustrie

 

Erkenntnisse

KONTAKT

MARKPOL
Johannes-R.-Becher-Straße 29Görlitz 02827 Germany

biuro@beton-rinnen.de

+49 15736958480

  • biuro@beton-rinnen.de
  • +49 15736958480

Strony internetowe Bielsko